

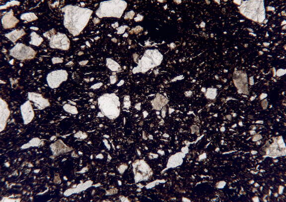
VEL-A-6, M 10/2, 25x


VEL-A-6, M 10/2, 16x


VEL-A-6, M 10/2, 8x
fabric description | object data | archaeometry |
fabric type | VEL-A-6 |
---|---|
ware | Transport Amphorae |
supposed site of production | Velia |
certainty of arguments | archaeometric: certain |
visual excamination of fresh break | red, numerous fine, few large white inclusions (quartz), few fine to large reddish brown and dark brown inclusions |
colour of freshly broken section (munsell) | 2.5YR5/8 |
texture of freshly broken surface | granular |
hardness | hard |
porosity | 3%; void form: vughy; void length: 0.08-0.24 |
inclusions | 5%, length: 0.16-0.8 |
sorting | poorly sorted silt |
Inclusions |
|
quartz | frequent, angular, subelongate, clear; white, 0.16-0.8 |
mica | singular |
black inclusions | singular, rounded, spherical, black |
Cite this page as: FACEM - http://facem.at/vel-a-6