

VEL-CBM-1, M 8/10, 25x


VEL-CBM-1, M 8/10, 16x


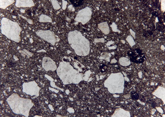
VEL-CBM-1, M 8/10, 8x
fabric description | object data | archaeometry |
fabric type | VEL-CBM-1 |
---|---|
ware | Ceramic Building Materials |
supposed site of production | Velia |
certainty of arguments | archaeometric: certain |
visual excamination of fresh break | light red, irregular; small to very large white particles, sporadic red and dark inclusions |
colour of freshly broken section (munsell) | 2.5YR6/8 |
texture of freshly broken surface | irregular |
hardness | hard |
porosity | 7.5%; void form: vughy; void length: 0.04-0.5 |
inclusions | 20%, length: 0.04-2.5 |
sorting | unsorted |
Inclusions |
|
quartz | very frequent, angular, spherical - subelongate, clear; white, 0.04-2.5 |
mica | infrequent, angular, spherical, white, 0.04 |
red iron oxide concretions | infrequent, rounded, spherical - subspherical, rusty brown, 0.4-1 |
black inclusions | infrequent, angular, spherical, black |
grey inclusions | infrequent, angular, spherical - subspherical, grey, 0.2-0.6 |
white inclusions | infrequent, rounded, subspherical, white, 0.4-0.6 |
Cite this page as: FACEM - http://facem.at/vel-cbm-1